Akım: 1,7 A
Direnç: 3 Ω
Nominal Tork: 0,73Nm(103,38oz.in)
BF-HPS42-LSW Serisi ile BF42HS60-1704
BesFoc
Şanzıman Motorları
Nema17 (42 mm)
4 telli
2 faz
1,8°
10 Adet
| Kullanılabilirlik: | |
|---|---|
BesFoc Nema 17 step motor, 48 mm gövde uzunluğu, 3Ω , 6.2mH, 1,7 A nominal akım ve 0,73Nm(103,38oz.inç) tutma torku , entegre 4:1 / 5:1 / planet dişli kutusu 40 7:1 / 10:1 / 16:1 / 20: 1 / 25:1 / 28:1 / 35:1 / :1 / 45:1 / 50:1 / 70:1 dişli oranı. Arka uç kapağında vida delikleri bulunan Φ9,5 mm çapında bir arka şaft mevcuttur. Sınırlı alana sahip ancak düşük hız ve/veya yüksek tork gerektiren uygulamalar için iyi bir çözümdür. Daha farklı step motor gereksinimleri için (şanzıman, fren, enkoder veya entegre motorlar gibi) lütfen bizimle iletişime geçin!!!
Tip: Nema17 bipolar adımlı motor
Model Adı: BF42HS60-1704
Aşama: 2
Adım Açısı: 1,8 derece
Akım: 1.7A
Direnç: 3Ω±0,1(20°C)
Endüktans: 6,2mH±20%(1kHz 1V RMS)
Tutma Torku: 0,73Nm (103,38oz.inç)
Yalıtım Sınıfı: B(130°); 80K Maks.
Opsiyonel Parçalar: Şanzıman, Enkoder, Fren, Entegre Sürücü...
Modeli: BF-HPS42-LSW Serisi
Şanzıman Tipi: Planet Şanzıman
Dişli Oranı: 4:1 / 5:1 / 7:1 / 10:1 / 16:1 / 20:1 / 25:1 / 28:1 / 35:1 / 40:1 / 45:1 / 50:1 / 70:1
Verimlilik: %96 / %94
Boşluk: ≤15 arkmin - 20 arkmin
Nominal Tork: 5N.m - 12N.m
Ani Durdurma Torku: 10N.m - 24N.m
Şaft Maksimum Eksenel Yükü: 100N
Mil Maksimum Radyal Yükü: 300N
Nominal Giriş Hızı: 3000rpm
Maksimum Giriş Hızı: 6000rpm
Ortalama Ömür: 20000 saat
Gürültü: ≤65dB
Koruma Seviyesi: iP54
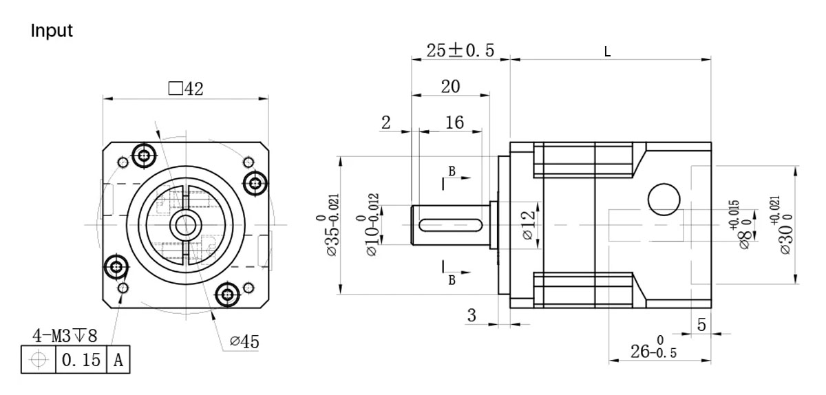
Çerçeve Boyutu: Nema 17(42 x 42mm)
Motor Uzunluğu: 60mm
Şanzıman Uzunluğu: 75mm / 86 mm
Şanzıman Mil Çapı: Φ10mm
Şanzıman Mil Uzunluğu: 25mm
Şanzıman Anahtar Uzunluğu: 16mm
Motor Mil Çapı: Φ5mm
Motor Şaft Uzunluğu: 24mm
Potansiyel Müşteri Sayısı: 4
Kurşun Uzunluğu: 300mm
BF- HPS42-L1SW Ağırlık: 0,30 kg
BF-HPS42-L2SW Ağırlık: 0,38 kg
| A+ |
A- | B+ | B- |
| Siyah | Yeşil | Kırmızı | Mavi |
| Elektriksel Özellikler | ||
| Ürün Tipi |
/ | 2 Fazlı Hibrit Adım Motoru |
| Model Adı | / | BF42HS60-1704 |
| Faz | faz | 2 |
| Adım Açısı | ° | 1.8 |
| Akım | A | 1.7 |
| Rezistans | Ω | 3 |
| İndüktans | mH | 6.2 |
| Anma Torku (Nm) | nm | 0.73 |
| Tutma Torku (oz.in) | oz.in | 103.38 |
| Bipolar/Tek kutuplu | / | Bipolar |
| Yalıtım Sınıfı | / | B |
| Kilit Torku |
g.cm | 280 |
| Rotor Atalet | g.cm2 | 102 |
| Modeli | / | BF-HPS42-L1SW | |||
| Dişli Oranı | / | 4 | 5 | 7 | 10 |
| Dişli Trenleri | / | 1 | |||
| Şanzıman Uzunluğu | mm | 75 | |||
| Nominal Tork | nm | 9 | 9 | 5 | 5 |
| Ani Durdurma Torku | nm | 18 | 18 | 10 | 10 |
| Arka Kirpik | arkmin | ≤15 ark dk | |||
| Yeterlik | % | 96 | |||
| Uygun Motor Boyutu | mm | Φ5-24 / Φ22-2 / F31-M3 | |||
| Nominal Giriş Hızı | Devir/dakika | 3000 | |||
| Maksimum Giriş Hızı | Devir/dakika | 6000 | |||
| Ortalama Yaşam Süresi | H | 20000 | |||
| Eksenel Kuvvet | N | 100 | |||
| Radyal Kuvvet | N | 300 | |||
| Gürültü | dB | ≤65 | |||
| Koruma Seviyesi | IP | IP54 | |||
| Çalışma Sıcaklığı | °C | -20 ila +150 | |||
| Dış Mil Tipi | / | Anahtar Mil Tipi | |||
| Modeli | / | BF-HPS42-L2SW | |||||||
| Dişli Oranı | / | 16 | 20 | 25 | 28 | 35 | 40 | 50 | 70 |
| Dişli Trenleri | / | 2 | |||||||
| Şanzıman Uzunluğu | mm | 86 | |||||||
| Nominal Tork | nm | 12 | 12 | 10 | 10 | 10 | 10 | 10 | 10 |
| Ani Durdurma Torku | nm | 24 | 24 | 20 | 20 | 20 | 20 | 20 | 20 |
| Arka Kirpik | arkmin | ≤20 ark dk | |||||||
| Yeterlik | % | 94 | |||||||
| Uygun Motor Boyutu | mm | Φ5-10 / Φ22-2 / F31-M3 | |||||||
| Nominal Giriş Hızı | Devir/dakika | 3000 | |||||||
| Maksimum Giriş Hızı | Devir/dakika | 6000 | |||||||
| Ortalama Yaşam Süresi | H | 20000 | |||||||
| Eksenel Kuvvet | N | 100 | |||||||
| Radyal Kuvvet | N | 300 | |||||||
| Gürültü | dB | ≤65 | |||||||
| Koruma Seviyesi | IP | IP54 | |||||||
| Çalışma Sıcaklığı | °C | -20 ila +150 | |||||||
| Dış Mil Tipi | / | Anahtar Mil Tipi | |||||||
| Fiziksel Özellikler | ||
| Çerçeve Boyutu | mm | Nema 17 (42x42) |
| Motor Şaft Tipi | / | Yuvarlak Şaft |
| Motor Mil Çapı | mm | 5 |
| Motor Şaft Uzunluğu | mm | 24 |
| Motor Gövde Uzunluğu |
mm | 60 |
| Şanzıman Uzunluğu | mm | 75 / 86 |
| Şanzıman Şaft Tipi | / | Anahtar Mil Tipi |
| Şanzıman Mil Çapı | mm | 10 |
| Şanzıman Mil Uzunluğu | mm | 25 |
| Şanzıman Anahtar Uzunluğu | mm | 16 |
| Potansiyel Müşteri Sayısı | / | 4 |
| Kurşun Uzunluğu | mm | 300 |
| Ağırlık | kilogram | 0,30 / 0,38 |



Konektörler, Şanzıman, Enkoder, Fren, Entegre Sürücü...
Metal Kasnaklar
Plastik Kasnak
Vites
Şaft Pimi
Dişli Mil
Panel Montajı
İçi Boş Şaft
Dişli Mil
Panel Montajı
Tek Daire
Çift Daire
Anahtar Mili
Kablolar
Flanşlar
Şaft
Kurşun Vida Çubuğu
Kodlayıcılar
Frenler
Şanzımanlar
Motor Kitleri
Entegre Sürücüler
Daha Özelleştirilmiş
BF-HPS42-L1SW Nema 17 Yüksek Hassasiyetli Planet Şanzıman Boyutu.pdf
BF-HPS42-L2SW Nema 17 Yüksek Hassasiyetli Planet Şanzıman Boyutu.pdf
BF42HS60-1704A-24mm motor mili uzunluğu boyutu.pdf
© TELİF HAKKI 2024 CHANGZHOU BESFOC MOTOR CO., LTD TÜM HAKLARI SAKLIDIR.