O'rnatilgan servo motorlar va chiziqli harakatlar yetkazib beruvchi 

-Tel
86- 18761150726
-Whatsapp
86- 13218457319
- Elektron pochta

Step motor

BesFoc gibrid step motorlari (hajmiga Nema 8 11 14 16 17 23 24 34 42 52 kiradi):

Gibrid kombinatsiya yoki aralashmani anglatadi. Gibrid qadam motorlari yoki HB step motorlari o'zgaruvchan istaksiz step motorlari va doimiy magnitli step motorining xususiyatlarini birlashtiradi. Bosqichli dvigatelning mili unga tegishli ketma-ketlikda elektr buyruq impulslari qo'llanilganda, diskret qadam bosqichlarida aylanadi. Aniq joylashishni aniqlash uchun gibrid step motorlar eng yaxshi tanlovdir. Raqamli, analog, aloqa va boshqalar kabi boshqaruv signallarining barcha turlari joylashuv va tezlik uchun turli xil ilovalarda keng qo'llaniladi. Birlamchi turdagi, kodlovchi turi, IP65 turi, haydovchi va boshqaruvchi bilan birlashtirilgan turdagi, tormoz turi va tishli turini o'z ichiga olgan turli xil HB motor turlari mavjud.
Professional step motor ishlab chiqaruvchisi sifatida BesFoc moment, tezlik va qadam o'lchamlari sohalarida mukammal ishlashni ta'minlaydi. Gibrid step motorlar uchun qadam burchaklari odatda aylanish uchun 200 dan 400 qadamgacha o'zgaradi. BesFoc unipolyar va bipolyar gibrid step motorlariga standart gibrid qadam motorlari, vites qutisi step motorlari, tormozli qadam motorlari, yopiq pastadirli step motorlar, chiziqli step motorlar, ichi bo'sh milya step motorlari, IP65 suv o'tkazmaydigan step motorlar, o'rnatilgan step motorlar kiradi......

Step motor nima?

Bosqichli vosita - bu o'z milini aniq, qat'iy darajali qadamlar bilan aylantiradigan elektr motor. Uning ichki dizayni tufayli siz hech qanday sensorga muhtoj bo'lmasdan, bu qadamlarni hisoblash orqali milning aniq holatini kuzatishingiz mumkin. Ushbu nozik nazorat qadam motorlarini ko'plab ilovalar uchun ideal qiladi.

 

Step motor tizimi:

Bosqichli vosita tizimining ishlashi rotor va stator o'rtasidagi o'zaro ta'sir atrofida aylanadi. Oddiy step motorining qanday ishlashini batafsil ko'rib chiqamiz:

Signal ishlab chiqarish: Tekshirish moslamasi kerakli harakatni ifodalovchi elektr impulslari ketma-ketligini hosil qiladi.

Haydovchini faollashtirish: Drayv boshqaruvchidan signallarni oladi va vosita o'rashlarini ma'lum bir ketma-ketlikda quvvatlantiradi, aylanadigan magnit maydon hosil qiladi.

Rotor harakati: Stator tomonidan yaratilgan magnit maydon rotor bilan o'zaro ta'sir qiladi, bu esa uni diskret bosqichlarda aylantirishga olib keladi. Qadamlar soni tekshirgich tomonidan yuborilgan impuls chastotasiga mos keladi.

Teskari aloqa (ixtiyoriy): Ba'zi tizimlarda vosita to'g'ri masofani bosib o'tganligini ta'minlash uchun kodlovchi kabi qayta aloqa mexanizmi ishlatilishi mumkin. Biroq, ko'plab step motorli tizimlar haydovchi va boshqaruvchining aniq nazoratiga tayanib, geribildirimsiz ishlaydi.

 

Gibrid step motorlarining tuzilishi:

Gibrid step motorining tuzilishi bir nechta asosiy komponentlardan iborat:

Stator, rotor, qopqoq, mil, podshipnik, magnitlar, temir yadrolar, simlar, o'rash izolyatsiyasi, gofrirovka qilingan yuvish mashinalari va boshqalar ...

 

Gibrid step vosita strukturasining ishlash printsipi:

tashqi boshqaruv impulslari va yo'nalish signallariga asoslanib, step vosita drayveri oldinga yoki teskari yo'nalishda ma'lum bir vaqt ketma-ketligida quvvatlanadigan step vosita sariqlarini boshqaradi, vosita oldinga / teskari yo'nalishda aylanadi yoki uning ichki mantiqiy davri orqali qulflanadi.
 
Misol sifatida 1,8 darajali ikki fazali qadam motorini oling: 
Masalan, 1,8 graduslik ikki fazali step motorini oling: har ikkala fazali sariq elektr bilan qo'zg'atilganda, vosita chiqish mili harakatsiz va qulflangan holatda bo'ladi. Dvigatelni nominal oqimda qulflangan holda ushlab turish uchun maksimal moment ushlab turish momentidir. Agar fazali sariqlardan biridagi oqim yo'nalishini o'zgartirsa, vosita ma'lum bir yo'nalishda bir qadam (1,8 daraja) aylanadi. Xuddi shunday, agar yo'nalishni o'zgartirgan boshqa o'rashdagi oqim bo'lsa, vosita avvalgisiga qarama-qarshi yo'nalishda bir qadam (1,8 daraja) aylanadi. Bobin sargilari orqali oqimlar qo'zg'alish tartibida ketma-ket yo'naltirilsa, vosita juda yuqori ish aniqligi bilan belgilangan yo'nalishda doimiy ravishda bosqichma-bosqich aylanadi. 1,8 graduslik ikki fazali qadamli vosita uchun bir hafta aylanish uchun 200 qadam kerak bo'ladi.
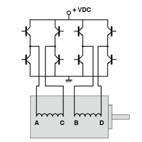
Ikki fazali step motorlar ikki turdagi sariqlarga ega: bipolyar va unipolyar. Bipolyar motorlar har bir fazada faqat bitta o'rash lasaniga ega, oqim bir xil bobinda ketma-ket o'zgaruvchan qo'zg'alish bo'lganda vosita doimiy ravishda aylanadi, qo'zg'alish davri dizayni ketma-ket o'tish uchun sakkizta elektron kalitni talab qiladi. Unipolyar motorlarda har bir fazada qarama-qarshi polariteli ikkita o'rash bobini mavjud bo'lib, vosita bir xil fazadagi ikkita o'rash bobini navbatma-navbat quvvatlangan va qo'zg'atilgan ekan, doimiy ravishda aylanadi. Drayv sxemasi dizayni faqat to'rtta elektron kalitni talab qiladi. Bipolyar qo'zg'alish rejimida, bipolyar qo'zg'alish rejimida dvigatelning chiqish momenti unipolyar qo'zg'alish rejimiga qaraganda taxminan 40% yuqori, chunki har bir fazadagi o'rash sariqlari 100% hayajonlangan.

Kengaytirish rejimi va quvvatni yoqish tartibi:

2 fazali step motor:
4 ta yetakchi sim (bipolyar): 6 ta yetakchi sim (unipolyar):

O'tkazuvchi simlar (bipolyar / bir qutbli):

O'tkazuvchi simlar (bipolyar / bir qutbli) step motorini yoqish ketma-ketligi:

3 fazali pog'onali motorni o'rash rejimi va quvvatni yoqish ketma-ketligi:

BesFoc moslashtirilgan motorlar:

Ilova ehtiyojlariga ko'ra, turli xil moslashtirilgan motor echimlarini taqdim eting, umumiy moslashtirish quyidagilarni o'z ichiga oladi:
1. Muhrlangan vosita, changli muhit, kichik harorat o'zgarishi bilan iflos muhit va hk
2. Maxsus mil, masalan, o'lchami, shakli va boshqalar
3. Tasma g'ildiraklari, viteslar va muftalar va boshqalar
4. Kodlovchilar va boshqa qayta aloqa komponentlari
5. Koderlar va boshqa qayta aloqa komponentlari. Qo'rg'oshin uzunligi va mijozdan foydalanishni tugatish plagini
 
 

Step motor tizimiga moslashtirilgan xizmat:

 

Step motor miliga moslashtirilgan xizmat:

 

 

Gibrid step motorlarining afzalliklari:

  1. Yuqori aniqlik: Kichik qadam burchaklari (masalan, 1,8 ° yoki 0,9 °) aniq joylashishni aniqlashga imkon beradi.
  2. Yuqori moment: doimiy magnit va elektromagnit maydonlarning kombinatsiyasi past tezlikda kuchli momentni ta'minlaydi.
  3. Samarali dizayn: Gibrid motorlar o'zgaruvchan istaksiz qadam motorlariga qaraganda samaraliroq.
  4. Yumshoq ishlash: Mikro-qadam tebranish kamaygan holda silliq harakatga imkon beradi.
 

Stepper Motors ilovalari:

  • 3D printerlar
  • CNC mashinalari
  • Robototexnika
  • Tibbiy asbob-uskunalar
  • Sanoatni avtomatlashtirish tizimlari
 
 

Moslashtirilgan step motorining tez-tez so'raladigan savollari

Biz bilan bog'lanish

*Iltimos, faqat jpg, png, pdf, dxf, dwg fayllarni yuklang. Hajmi chegarasi 25 MB.

Etakchi integratsiyalangan servo motorlar va chiziq
Mahsulotlar
Havolalar
Hozir so'rov

© COPYRIGHT 2024 CHANGZHOU BESFOC MOTOR CO., LTD BARCHA HUQUQLAR HAQIDA.